EFBG EFG EBG EDG电液比例控制阀
腾科液压













EFBG、EFG、EBG、EDG电液比例控制阀是工业液压系统中常用的高精度控制元件,以下从产品系列、技术特点、应用领域及选型要点等方面进行详细介绍:
一、产品系列概述
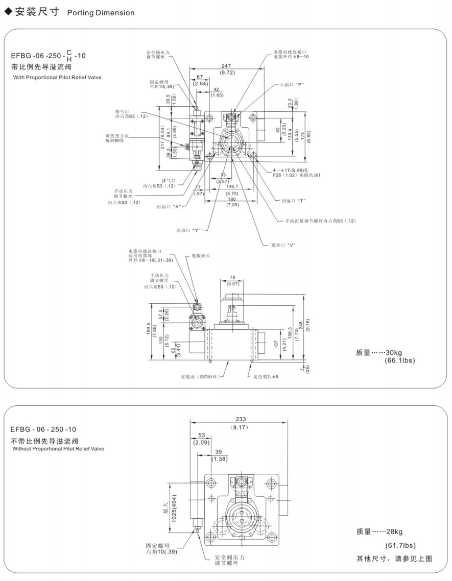
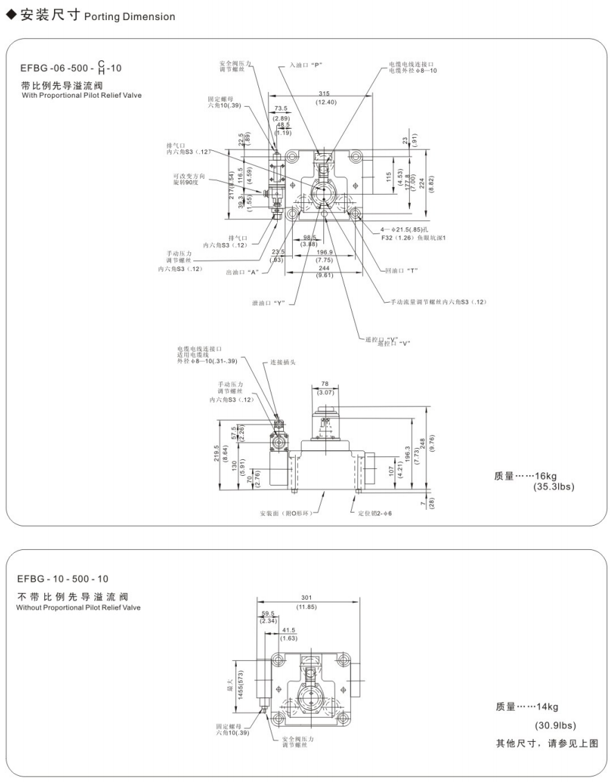
EFBG系列特点:电液比例式压力/流量复合阀,适用于高精度压力和流量控制。
型号示例:EFBG-03-125-C、EFBG-06-250-H。
应用:注塑机、压铸机、液压站等。
EFG系列特点:电液比例调速阀及单向调速阀,流量随输入电流连续变化。
型号示例:EFG-03-C、EFG-06-H。
应用:工程机械、冶金设备。
EBG系列特点:电液比例溢流阀,先导式设计,低噪音、高精度。
型号示例:EBG-03-C、EBG-06-H-T。
应用:油压机、液压系统压力控制。
EDG系列特点:电液比例控制阀,板式阀结构,支持多种阀芯选择。
型号示例:EDG-01-C、EDG-01-H。
应用:自动化生产线、液压试验台。
二、技术特点
高精度控制通过比例电磁铁驱动阀芯,实现压力、流量或方向的精确控制。
典型精度:±1%(压力)、±2%(流量)。
快速响应响应时间≤50ms,适用于动态工况。
节能设计压差保持最小化,降低能耗。
温度补偿功能,确保流量稳定。
模块化结构支持板式、管式或叠加式安装,便于系统集成。













EFBG、EFG、EBG、EDG电液比例控制阀是工业液压系统中常用的高精度控制元件,以下从产品系列、技术特点、应用领域及选型要点等方面进行详细介绍:
一、产品系列概述
EFBG系列特点:电液比例式压力/流量复合阀,适用于高精度压力和流量控制。
型号示例:EFBG-03-125-C、EFBG-06-250-H。
应用:注塑机、压铸机、液压站等。
EFG系列特点:电液比例调速阀及单向调速阀,流量随输入电流连续变化。
型号示例:EFG-03-C、EFG-06-H。
应用:工程机械、冶金设备。
EBG系列特点:电液比例溢流阀,先导式设计,低噪音、高精度。
型号示例:EBG-03-C、EBG-06-H-T。
应用:油压机、液压系统压力控制。
EDG系列特点:电液比例控制阀,板式阀结构,支持多种阀芯选择。
型号示例:EDG-01-C、EDG-01-H。
应用:自动化生产线、液压试验台。
二、技术特点
高精度控制通过比例电磁铁驱动阀芯,实现压力、流量或方向的精确控制。
典型精度:±1%(压力)、±2%(流量)。
快速响应响应时间≤50ms,适用于动态工况。
节能设计压差保持最小化,降低能耗。
温度补偿功能,确保流量稳定。
模块化结构支持板式、管式或叠加式安装,便于系统集成。