KVH6二位六通换向阀
腾科液压


KVH6二位六通换向阀是一种广泛应用于工业自动化、液压系统等领域的控制元件,以下从产品特点、技术参数、应用场景、工作原理、选购建议等方面进行详细介绍:
一、产品特点
二位六通功能
该换向阀具备两个工作位置(二位)和六个油口(六通),通过阀芯的切换实现油路的灵活连接与断开,满足复杂液压系统的控制需求。
电磁驱动方式
采用电磁铁作为驱动源,响应速度快,控制精度高,可实现远程自动化控制,降低人工操作强度。
高兼容性
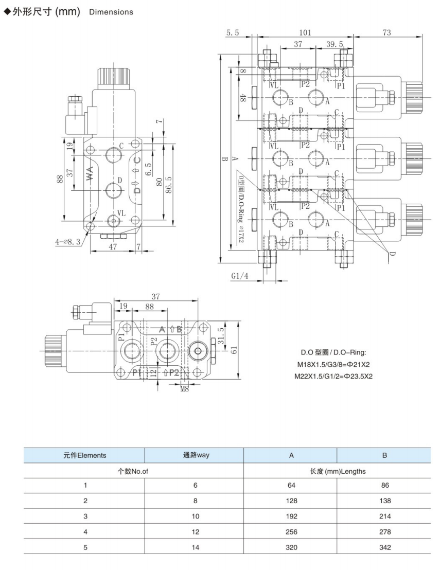
提供多种电压规格(如DC12V、DC24V等),适配不同电源环境;接口尺寸多样(如G1/4、G3/8、G1/2等),便于与现有液压系统集成。
高流量与压力支持
流量范围覆盖20L/min至160L/min,工作压力可达31.5MPa,满足大流量、高压力工况需求。
结构与材料优势
紧凑设计:体积小、重量轻,节省安装空间。
耐腐蚀材料:密封面堆焊不锈钢,阀瓣镶嵌聚氨酯橡胶圈,防锈耐磨,使用寿命长。
高精度加工:密封面粗糙度Ra≤0.8μm,确保密封性能。
二、技术参数
参数说明
公称通径 1/4英寸至1/2英寸(根据型号可选)
公称压力 1.0MPa(常规),支持31.5MPa(特定型号)
适用温度 -20℃至+80℃(标准型),高温型可扩展至更高温度
适用介质 液压油、润滑油等
连接形式 法兰连接、螺纹连接(根据型号可选)
控制方式 电磁控制(DC12V、DC24V等)
流量范围 20L/min至160L/min(根据型号和压力等级)
三、应用场景
工业自动化
用于机床、注塑机、压铸机等设备的液压系统,实现油路的快速切换与控制。
工程机械
在挖掘机、起重机等设备中,控制液压缸和液压马达的动作,提升设备操作精度与效率。
矿山与冶金
用于矿山机械、冶金设备的液压系统,适应恶劣工况,确保设备稳定运行。
农业机械
在拖拉机、收割机等农业设备中,控制液压系统的转向、升降等功能。
四、工作原理
KVH6二位六通换向阀通过电磁铁的通断电控制阀芯的移动:
断电状态:阀芯处于初始位置,部分油口连通,其他油口关闭。
通电状态:电磁铁吸引阀芯移动至另一位置,切换油口连接状态,实现油路的换向。
密封与切换:阀芯移动时,密封组件在凸轮作用下关闭或开启相应油口,确保油路切换的可靠性与密封性。


KVH6二位六通换向阀是一种广泛应用于工业自动化、液压系统等领域的控制元件,以下从产品特点、技术参数、应用场景、工作原理、选购建议等方面进行详细介绍:
一、产品特点
二位六通功能
该换向阀具备两个工作位置(二位)和六个油口(六通),通过阀芯的切换实现油路的灵活连接与断开,满足复杂液压系统的控制需求。
电磁驱动方式
采用电磁铁作为驱动源,响应速度快,控制精度高,可实现远程自动化控制,降低人工操作强度。
高兼容性
提供多种电压规格(如DC12V、DC24V等),适配不同电源环境;接口尺寸多样(如G1/4、G3/8、G1/2等),便于与现有液压系统集成。
高流量与压力支持
流量范围覆盖20L/min至160L/min,工作压力可达31.5MPa,满足大流量、高压力工况需求。
结构与材料优势
紧凑设计:体积小、重量轻,节省安装空间。
耐腐蚀材料:密封面堆焊不锈钢,阀瓣镶嵌聚氨酯橡胶圈,防锈耐磨,使用寿命长。
高精度加工:密封面粗糙度Ra≤0.8μm,确保密封性能。
二、技术参数
参数说明
公称通径 1/4英寸至1/2英寸(根据型号可选)
公称压力 1.0MPa(常规),支持31.5MPa(特定型号)
适用温度 -20℃至+80℃(标准型),高温型可扩展至更高温度
适用介质 液压油、润滑油等
连接形式 法兰连接、螺纹连接(根据型号可选)
控制方式 电磁控制(DC12V、DC24V等)
流量范围 20L/min至160L/min(根据型号和压力等级)
三、应用场景
工业自动化
用于机床、注塑机、压铸机等设备的液压系统,实现油路的快速切换与控制。
工程机械
在挖掘机、起重机等设备中,控制液压缸和液压马达的动作,提升设备操作精度与效率。
矿山与冶金
用于矿山机械、冶金设备的液压系统,适应恶劣工况,确保设备稳定运行。
农业机械
在拖拉机、收割机等农业设备中,控制液压系统的转向、升降等功能。
四、工作原理
KVH6二位六通换向阀通过电磁铁的通断电控制阀芯的移动:
断电状态:阀芯处于初始位置,部分油口连通,其他油口关闭。
通电状态:电磁铁吸引阀芯移动至另一位置,切换油口连接状态,实现油路的换向。
密封与切换:阀芯移动时,密封组件在凸轮作用下关闭或开启相应油口,确保油路切换的可靠性与密封性。