HED1 HED4压力继电器
腾科液压

















HED1与HED4压力继电器是液压系统中常用的压力控制元件,以下从产品概述、技术参数、应用特点等方面进行详细介绍:
一、产品概述
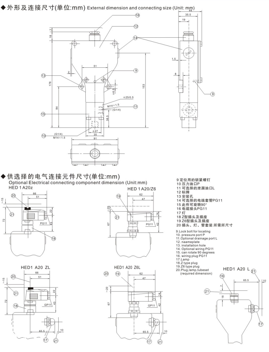
HED1与HED4压力继电器均为柱塞式压力继电器,用于将液压系统中的油液压力信号转换为电信号,以控制电磁铁、电磁离合器、继电器等电气元件的动作,实现液压系统的顺序动作或安全保护功能。当系统压力达到设定值时,压力继电器发出电信号,控制相关元件动作,使油路卸压、换向或停止工作。
二、应用特点
高可靠性:HED1与HED4压力继电器均采用优质材料和先进工艺制造,具有高可靠性和长寿命。
灵敏度高:柱塞式设计使得压力继电器对压力变化反应灵敏,能够及时发出电信号控制液压系统动作。
调节方便:通过调节内部弹簧的压缩量,可以方便地改变继电器的动作压力,满足不同液压系统的压力控制需求。
适用范围广:适用于各种液压系统,如工程机械、冶金设备、船舶机械等,实现液压系统的顺序动作和安全保护功能。

















HED1与HED4压力继电器是液压系统中常用的压力控制元件,以下从产品概述、技术参数、应用特点等方面进行详细介绍:
一、产品概述
HED1与HED4压力继电器均为柱塞式压力继电器,用于将液压系统中的油液压力信号转换为电信号,以控制电磁铁、电磁离合器、继电器等电气元件的动作,实现液压系统的顺序动作或安全保护功能。当系统压力达到设定值时,压力继电器发出电信号,控制相关元件动作,使油路卸压、换向或停止工作。
二、应用特点
高可靠性:HED1与HED4压力继电器均采用优质材料和先进工艺制造,具有高可靠性和长寿命。
灵敏度高:柱塞式设计使得压力继电器对压力变化反应灵敏,能够及时发出电信号控制液压系统动作。
调节方便:通过调节内部弹簧的压缩量,可以方便地改变继电器的动作压力,满足不同液压系统的压力控制需求。
适用范围广:适用于各种液压系统,如工程机械、冶金设备、船舶机械等,实现液压系统的顺序动作和安全保护功能。